a066624
- Код товараDEK_ELK_a066624
- SKUDEK_ELK_a066624
- ПроизводителиElektrostandard
- Артикул произвоидтеляa066624
199
- Цвет плафонов и подвесокбелый
- Поверхность плафонов и подвесокматовый
- Цвет арматурысерый
- Все характеристики
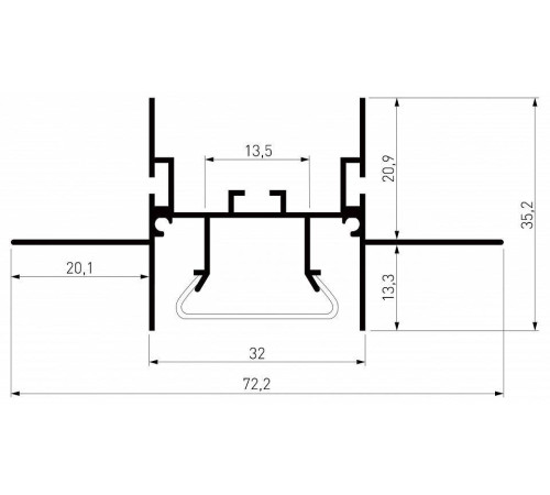
Цвет арматуры - серый. Материал арматуры - металл. Серия - LL-2-ALP023. Запись типов - Комплектующие для светильников,Комплектующие для профильных светильников,Короба встраиваемые. Длина, мм - 2000. Ширина, мм - 72.2. Высота, мм - 35.2. Размеры, мм - 2000x72.2x35.2. Компоненты, входящие в комплект - профиль - 2 м., рассеиватель - 2 м., заглушки - 2 шт.. Цвет плафонов и подвесок - белый. Поверхность плафонов и подвесок - матовый. Поверхность арматуры - матовый. Материал плафонов и подвесок - полимер. Диапазон рабочих температур - -20-[+40]. Основной цвет - серый. Место размещения - Плафоны и абажуры. Гарантия, месяцы - 24. Основной цвет плафонов - белый. Основной материал плафонов - полимер. Основной материал арматуры - металл. Основной цвет арматуры - серый. Штрих-код - 4690389205101. Размер упаковки, мм - 190x73x35. Масса брутто, кг - 2. Объем упаковки, куб. м - 0.00048545. Способ крепления к поверхности - на т-образных направляющих. Высота (мин), мм - 35. Новинка - Да. Тип товара - Комплектующие. Свет - Да. Характеристики товара: Артикул товара: a066624 Штрихкод: 4690389205101
Характеристики Свет
- Цвет плафонов и подвесокбелый
- Поверхность плафонов и подвесокматовый
- Цвет арматурысерый
- Способ крепления к поверхностина т-образных направляющих
- Материал арматурыметалл
- Материал плафонов и подвесокполимер
- Основной цвет арматурысерый
- Основной цветсерый
- Запись типовКомплектующие для светильников,Комплектующие для профильных светильников,Короба встраиваемые
Основные
- Место размещенияПлафоны и абажуры
- Тип товараКомплектующие
- Размеры, мм2000x72.2x35.2
- Гарантия, месяцы24
- СветДа
- Компоненты, входящие в комплектпрофиль - 2 м., рассеиватель - 2 м., заглушки - 2 шт.
- Размер упаковки, мм190x73x35
- Масса брутто, кг2
- СерияLL-2-ALP023
- Основной цвет плафоновбелый
- Длина, мм2000
- Основной материал плафоновполимер
- Объем упаковки, куб. м0.00048545
- Поверхность арматурыматовый
- Основной материал арматурыметалл
- Диапазон рабочих температур-20-[+40]
- НовинкаДа
- Ширина, мм72.2
- Штрих-код4690389205101
- Высота (мин), мм35
- Высота, мм35.2
Отзывов: 0
Нет отзывов об этом товаре.
Вопросов: 0
Пока нет вопросов об этом товаре. Станьте первым!
Похожие товары
